GEALAN S 8000 – patikimi vokiški langai ir durys su 6 kamerų sistema
GEALAN S 8000 – tai laiko patikrinta 6 kamerų PVC profilių sistema su 74 mm montavimo gyliu. Ši sistema užtikrina puikų šilumos ir garso izoliacijos balansą, tvirtumą bei ilgaamžiškumą. Langai ir durys iš S 8000 profilių – praktiškas sprendimas renovacijai, naujai statybai ar projektams, kur svarbu kokybė už prieinamą kainą.
Peržiūrėti langų kainas
GEALAN S 8000 – klasikinė 6 kamerų sistema, sukurta ilgaamžiškiems sprendimams
Kas yra GEALAN S 8000?
GEALAN S 8000 – tai viena populiariausių Vokietijos gamintojo GEALAN Fenster-Systeme GmbH langų ir durų sistemų, pasižyminti išskirtiniu patikimumu ir universalumu. Šešių kamerų profilio struktūra ir 74 mm montavimo gylis sukuria tvirtą konstrukciją, kuri užtikrina optimalų šilumos bei garso izoliacijos balansą. Ši sistema ypač vertinama dėl savo stabilumo, lengvo apdirbimo ir ilgaamžiškumo – tai sprendimas, kuris išlieka patikimas dešimtmečiais.
Sukurta vadovaujantis „vokiško tikslumo“ filosofija, S 8000 leidžia architektams, statybininkams ir galutiniams klientams naudoti tą pačią sistemą tiek naujos statybos, tiek renovacijos projektuose. Konstrukcija pritaikyta platų furnitūros pasirinkimą, o išmani kamerų geometrija mažina medžiagų sąnaudas, neprarandant tvirtumo – tai puikus pavyzdys, kaip GEALAN sujungia efektyvumą ir inžinerinį racionalumą.
Kodėl verta rinktis GEALAN S 8000?
Ši sistema idealiai tinka tiems, kurie nori vokiškos kokybės be perteklinių kaštų. Dvigubas sandarinimas (AD – Anschlagdichtung) saugo nuo šalto oro, vėjo ir drėgmės, todėl patalpose visada išlieka šilta ir sausa. Plieninis armavimas didelėje centrinėje kameroje užtikrina aukštą konstrukcijos stabilumą net ir dideliems langų segmentams, o tai ypač svarbu pastatuose su dideliais įstiklinimais ar vitrinomis.
GEALAN S 8000 palaiko įvairius stiklo paketus – nuo standartinių 24 mm iki 44 mm trigubo stiklo. Tai leidžia pasiekti puikias šilumines vertes, atitinkančias net ir A+ klasės pastatų reikalavimus. Galimos įvairios spalvų ir paviršių kombinacijos: klasikinė laminacija arba originali GEALAN acrylcolor® technologija, kuri užtikrina ypatingą atsparumą įbrėžimams ir UV spinduliams.
GEALAN S 8000 – pagrindiniai privalumai
- 6 kamerų profilio konstrukcija – optimalus šilumos, garso ir tvirtumo balansas.
- 74 mm montavimo gylis – suderinamas su dauguma modernių sistemų, idealiai tinka renovacijai.
- Dvigubas sandarinimas (AD) – puiki apsauga nuo drėgmės, šalčio ir skersvėjų.
- Stiklo paketas iki 44 mm – galimybė naudoti trigubą stiklą aukštesniems energiniams reikalavimams.
- Didelė armavimo kamera – užtikrina konstrukcijos stabilumą net ir dideliuose formatuose.
- Platus spalvų ir paviršių pasirinkimas – nuo klasikinės baltos iki acrylcolor® technologijos atspalvių.
- Lengva priežiūra ir ilgaamžiškumas – PVC paviršiai išlaiko estetiką be papildomo dažymo.
- Vokiškas inžinerinis tikslumas – GEALAN patirtis nuo 1921 m., priklauso VEKA Group.
Apibendrinant: GEALAN S 8000 – tai patikrinta ir rinkoje įsitvirtinusi sistema, kuriai svarbiausia ne tik šiluminės savybės, bet ir konstrukcinis patikimumas bei ilgaamžė estetika. Ji idealiai tinka tiems, kas renkasi apgalvotus sprendimus: nori vokiškos kokybės, aiškių techninių parametrų ir ramybės dėl kiekvieno lango ar durų eksploatacijos metų po metų.
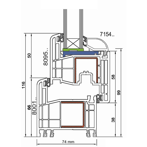
GEALAN S 8000 – techninės charakteristikos

Savybė | Parametras |
|---|---|
Montavimo gylis | 74 mm |
Matoma profilio dalis (rėmas + varčia) | 116 mm |
Kamerų skaičius | 6 |
Šilumos perdavimo koeficientas (Uf) | 1,3 W/m²K |
Furnitūra | Winkhaus ActivPilot, ašis 13 mm |
Apsauga nuo įsilaužimo | Iki RC2 |
Stiklo paketo storis | 24 mm, 44 mm |
Distancinis rėmelis | Vientisas lenktas |
Paketo užpildymas | Argono dujos |
Stiklajuostės | Apvalios |
Sandarinimo sistema | 2 tarpinės, TPE |
Šilumos varžos koeficientas (Rf) | 0,77 m²°C/W |
Max varčios dydis | 1600 × 2400 mm |
Max konstrukcijos dydis | 3000 × 3000 mm |
Min konstrukcijos dydis | 400 × 400 mm |
Pagrindinės kameros plotis | 31,5 mm |
Paviršius | Blizgus |
GEALAN linija – langai ir durys
4 populiariausios GEALAN PVC sistemos – šilumos, tvirtumo ir kainos balansas jūsų projektams.
GEALAN S 8000 (langai)
Universalūs renovacijai ir naujai statybai.
GEALAN S 9000 (langai)
Premium sandarumas ir energetinė klasė.
GEALAN S 8000 (durys)
Tvirtos, šiltos ir racionalios kainos.
GEALAN S 9000 (durys)
Premium sandarumas, saugumas ir dizainas.
Kiti lankytojai domėjosi:
Kokios plastikinių langų kainos?
Plastikiniai langai – šiluma ir ilgaamžiškumas. Sužinokite kainas ir išsirinkite geriausią variantą.
Žiūrėti kainas dabarKokios šarvuotų durų kainos?
Saugus ir patikimas pasirinkimas namams ar butui. Raskite tinkamiausią sprendimą.
Žiūrėti kainas dabarKokios balkonų stiklinimo kainos?
Plastikas arba aliuminis – daugiau šilumos ir mažiau triukšmo. Išsirinkite savo balkonui.
Žiūrėti kainas dabarIeškote plastikinių durų?
Lauko ir balkono durys iš PVC profilių. Iš sandėlio arba pagal užsakymą – greitai ir aiškiomis kainomis.
Žiūrėti durų kainas